The 1947 - Present Chevrolet & GMC Truck Message Board Network







Register or Log In To remove these advertisements.

Go Back   The 1947 - Present Chevrolet & GMC Truck Message Board Network > 47 - Current classic GM Trucks > The 1967 - 1972 Chevrolet & GMC Pickups Message Board

Web 67-72chevytrucks.com


 
 
Thread Tools Display Modes
Prev Previous Post   Next Post Next
Old 03-16-2014, 12:13 AM   #1
Russ.W.
Registered User
 
Russ.W.'s Avatar
 
Join Date: Aug 2009
Location: Australia
Posts: 275
Question 1967 Upper control-arm/a-arm mounting bracket

I'm trying to find a few parts for my 67 C10, but I need the forum knowledge-base to chime in if possible.

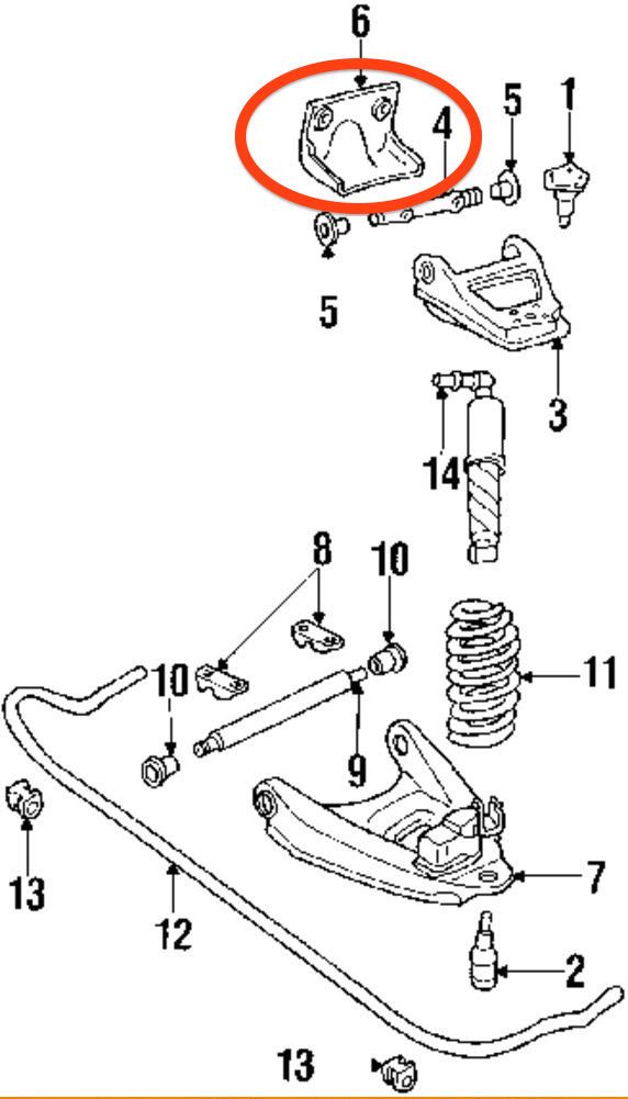
One part I'm after is the L shaped mounting bracket that mounts to the frame, that the upper control-arm/a-arm shaft mounts to.

What I need to know is a) are these the same from 67-72? and b) are there differences between 2wd, 4wd, etc?

This is a part I have to buy used (LMC make the 73+ version, but not this), and will be placing a wanted ad on the forum, so I need to make sure they come form the correct vehicle before doing so

Here's some pics for those unsure what I'm referring to:

The piece circled:








Thanks for your time.

Cheers,
Russ
Russ.W. is offline   Reply With Quote
 

Bookmarks

Tags
a-arm, bracket, control arm, mounting

Thread Tools
Display Modes

Posting Rules
You may not post new threads
You may not post replies
You may not post attachments
You may not edit your posts

BB code is On
Smilies are On
[IMG] code is On
HTML code is Off

Forum Jump


All times are GMT -4. The time now is 04:32 AM.


Powered by vBulletin® Version 3.8.11
Copyright ©2000 - 2026, vBulletin Solutions Inc.
Copyright 1997-2025 67-72chevytrucks.com