The 1947 - Present Chevrolet & GMC Truck Message Board Network







Register or Log In To remove these advertisements.

Go Back   The 1947 - Present Chevrolet & GMC Truck Message Board Network > 47 - Current classic GM Trucks > The 1988 - 1998 GMT400 Chevy & GMC Pickups Message Board

Web 67-72chevytrucks.com


Reply
 
Thread Tools Display Modes
Old 07-03-2012, 10:47 AM   #1
sparkydog
Registered User
 
sparkydog's Avatar
 
Join Date: Feb 2010
Location: Fallbrook, CA
Posts: 910
Wiring/Circuit Info for Instrument Cluster

Does anyone have a wiring diagram or connector pin-out info for the instrument cluster on a 96 truck? I am getting ready to modify the wire harness that feeds the back of the cluster so that I can relocate all the idiot light signals up to the overhead console and just keep the basic gauge wires down on the dashboard.

I should mention that this is not a normal 96 truck. The body & dash are a 67 International pickup but the chassis, power train, harnesses & all else are off a stock 96 GM Xcab.

Any help is appreciated!
Attached Images
  
__________________
Balls and a Sawzall
Project Halfbreed
Porsche 944 L67V6 CARB Legal & Other Stuff
sparkydog is offline   Reply With Quote
Old 07-04-2012, 01:47 PM   #2
Restrorob
The One And Only !!!
 
Restrorob's Avatar
 
Join Date: Jan 2007
Location: Hole in the woods Florida
Posts: 4,567
Re: Wiring/Circuit Info for Instrument Cluster

sparkydog,

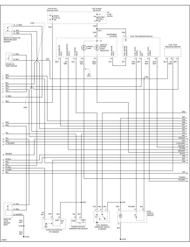
Here's one for my 97, Possibly the same ?


__________________
93 Jeep XJ
88 Buick La Sabra
Toys;
88 TA-GTA in the works....
97 GMC Ext. Cab
502 Crate 5 Spd......Sucks Gas But Haulz Azz !


The primary function of an Engineer is to make it difficult for the Fabricator and impossible for the Mechanic.


"Why go out preserved when you can go out beat up, worn out, sliding in sideways screaming, Holy Sh!t What A Ride" !!!
Restrorob is offline   Reply With Quote
Old 07-04-2012, 03:46 PM   #3
ChevLoRay
Old Skool Club
 
ChevLoRay's Avatar
 
Join Date: Jun 2001
Location: Benton, AR "The Heart of Arkansas"
Posts: 10,880
Re: Wiring/Circuit Info for Instrument Cluster

Wondered where you went, sparkydog. How's the hybrid?
__________________
Member Nr. 2770

'96 GMC Sportside; 4.3/SLT - Daily driven....constantly needs washed.

'69 C-10 SWB; 350/TH400 - in limbo

The older I get, the better I was.
ChevLoRay is offline   Reply With Quote
Old 07-10-2012, 11:35 AM   #4
sparkydog
Registered User
 
sparkydog's Avatar
 
Join Date: Feb 2010
Location: Fallbrook, CA
Posts: 910
Re: Wiring/Circuit Info for Instrument Cluster

Quote:
Originally Posted by Restrorob View Post
sparkydog,

Here's one for my 97, Possibly the same ?

Thanks very much Restrorob. That covers most of the wires but there are several more idiot lights that aren't shown. But with what you show here it makes figuring out the others much easier!
__________________
Balls and a Sawzall
Project Halfbreed
Porsche 944 L67V6 CARB Legal & Other Stuff
sparkydog is offline   Reply With Quote
Old 07-10-2012, 11:39 AM   #5
sparkydog
Registered User
 
sparkydog's Avatar
 
Join Date: Feb 2010
Location: Fallbrook, CA
Posts: 910
Re: Wiring/Circuit Info for Instrument Cluster

Quote:
Originally Posted by ChevLoRay View Post
Wondered where you went, sparkydog. How's the hybrid?
It's going well! It's my daily driver for the summer as one of my kids has my other car. In a couple of weeks it will finally be one color - white epoxy primer.
__________________
Balls and a Sawzall
Project Halfbreed
Porsche 944 L67V6 CARB Legal & Other Stuff
sparkydog is offline   Reply With Quote
Reply

Bookmarks


Posting Rules
You may not post new threads
You may not post replies
You may not post attachments
You may not edit your posts

BB code is On
Smilies are On
[IMG] code is On
HTML code is Off

Forum Jump


All times are GMT -4. The time now is 08:55 AM.


Powered by vBulletin® Version 3.8.11
Copyright ©2000 - 2026, vBulletin Solutions Inc.
Copyright 1997-2025 67-72chevytrucks.com